Tạm tính: 2.600.000 ₫
- Hàng
chính hãng - Bảo hành
04 năm - Miễn phí
vận chuyển
Tạm tính: 2.600.000 ₫
2910 lượt xem
Câu hỏi:
Em có cầu dao đảo 3 pha. Em muốn dùng nó để sài ổn áp Lioa và điện trực tiếp 220v khi chiều tối em kéo qua phần ổn áp. Ban ngày thì kéo lại 220v để cho đỡ tốn điện và khi đảo pha 2 bên như vậy. Thì các thiết bị trong nhà vẫn hoạt động bình thường. Bác nào giúp em với ạ.
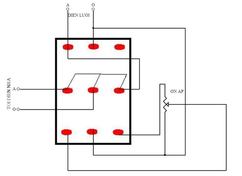
Cầu dao đảo có hình thức giống như cầu dao thường nhưng có 3 khớp (hay 3 tiếp điểm). Mục đích là để chuyển đổi nguồn điện. Ví dụ khi kéo lên sẽ lấy điện lưới quốc gia, kéo đến giữa cầu dao sẽ cắt cả hai nguồn. Kéo xuống thì dùng điện máy phát. Dưới đây là 1 mẫu cầu dao đảo chiều.
![]()
Sơ đồ đấu cầu dao 3 Pha cho Ổn áp Lioa Ảnh Lioa.info.vn
Công dụng chính của cầu dao đảo là để bảo vệ máy phát điện. Tuyệt đối không nên mắc đường dây máy phát điện vào thẳng cầu dao tổng. Vì khi có điện lưới bối rối không tắt máy điện rút dây ra mà bật ngay cầu dao tổng lên. Thì tất cả thiết bị điện sẽ cháy và máy phát điện sẽ bị hư hỏng ngay.
Cách đấu nối tham khảo:
Từ cầu dao chính của điện lưới sẽ đấu nối thêm 1 đường riêng tới 1 cầu dao đảo chiều. Một đường dây riêng thứ 2 sẽ nối vào điện máy phát.
Cách vận hành:

Ảnh Lioa.info.vn
Bước 1: Khi nào cúp điện bạn nên tắt công tắc điện của tất cả các thiết bị điện đang sử dụng. Và kéo cầu dao đảo đến điểm giữa. để cách ly phụ tải và thiết bị khỏi cả nguồn điện lưới quốc gia và điện máy phát.
Bước 2: Bật máy phát điện lên, kiểm tra đồng hồ tới đạt mốc 200V trở lên. Khi chạy không tải để máy phát điện khởi động và chạy ổn định.
Bước 3: Kéo cầu dao đảo chiều nối với nguồn điện từ máy phát ra cung cấp cho các thiết bị. Để an toàn bạn nên bật lần lượt từng thiết bị một.
Bước 4: Khi nào có điện lưới quốc gia trở lại, bạn cũng làm theo các bước trên. Chỉ có điều khác duy nhất là cầu dao đảo sẽ nối với nguồn điện lưới.
Tư vấn mua thiết bị:
Bạn nên mua cầu dao đảo chiều 3 Pha hàng VN chất lượng cao, những cầu dao nhập ngoại khá mắc tiền chỉ dụng khi có những nhu cầu đặc biệt.
Mời các bạn xem video ổn áp Lioa 10KVA chính hãng được nhiều gia đình sử dụng!
Liên hệ ngay địa chỉ dưới đây để nhận báo giá tốt nhất!
Phân phối ổn áp Lioa Lioa chính hãng:
Vĩnh Hưng – Hoàng Mai – Hà Nội
Số 629 Trường Trinh – Tân Phú – TP. Hồ Chí Minh
Hotline : 0936.116.091
Website : Lioa.info.vn
Email : lioa.info.vn@gmail.com
Bình luận trên Facebook